Ring torsion load cell/transducer G4
FEATURES:
◆Capacity: 0~300 t
APPLICATION:
◆Polished rod measurement of pumping wells
 +86-0574-87635363
 info@geantec.com
FEATURES:
◆Capacity: 0~300 t
APPLICATION:
◆Polished rod measurement of pumping wells
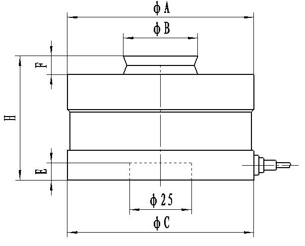
OUTLINE DIMENSIONS:


| Rated capacity | A | B | C | E | F | H | 
| 10t | 74 | 30 | 75 | 7 | 6.5 | 50 | 
| 15t | 75 | 30 | 75 | 7 | 6.5 | 50 | 
| 22t | 75 | 30 | 75 | 7 | 10 | 65 | 
| 33t | 95 | 40 | 95 | 7 | 10 | 65 | 
| 47t | 130 | 60 | 130 | 7 | 14 | 75 | 
| 68t | 130 | 60 | 130 | 7 | 14 | 85 | 
| 100t | 150 | 70 | 150 | 7 | 16 | 90 | 
| Others | customized | |||||
SPECIFICATION:
| PARAMETER | VALUE | PARAMETER | VALUE | |
| Rated capacity | 0~300 t | Operating temperature range | -40~+85℃ | |
| Recommended Excitation | 24±12 VDC | Maximum safe overload | 200% FS | |
| Current consumption | <100 mA | Ultimate safe overload | 300% FS | |
| Dual signal output (choose one of three options)  | 
Analog output | 2.0±0.015mV/V | Material | alloy steel, stainless steel | 
| Analog output | 2.85±0.015mV/V | Environment protection | IP67 | |
| Analog output | 4~20mA | Climate test | EN60068-2-30,DB55℃/100% | |
| Combined error | 0.3%FS | Vibration resistance | EN60068-2-6,5-500Hz,50g,10mm | |
| Temperature effect on zero | 0.1%FS/10℃ | Shock resistance | EN60068-2-27(half sine) 50g,11ms,1000shocks; 1000g,1ms,50shocks  | 
|